To main content

INDEE3 – Sustainable cooling and heating in India

Demosites

Our demonstration sites showcase innovative heating and cooling solutions using natural refrigerants, developed in collaboration with Indian vendors and research partners.

These sites highlight how pilot projects and research innovations can be scaled into commercially viable applications, supported by knowledge transfer and technical guidance from the INDEE3 team. Visitors will discover both full-scale industrial demonstrators and lab-scale systems, designed to demonstrate cutting-edge technologies and promote sustainable practices across the food supply chain.

Demonstration sites

The demonstration sites are listed alphabetically below:

BITS Pilani - Onboard R290 refrigeration system

Collage showing two images of cooling systems.
Images: Prosenjit Singha/BITS Pilani and Alex Reimer/SINTEF.
  • Location: BITS Pilani 
  • Refrigerant: Propane (R290) 
  • Main sector: Fishing vessels  
  • Other possible sectors: Land-based seafood processing plants 
  • Contact person: Professor M. S. Dasgupta (

A recently developed onboard refrigeration system demonstrates the technical and economic advantages of using propane (R290) on small fishing vessels. The system uses a screw compressor that is mechanically driven by the boat’s engine via a belt drive, removing the need for an additional power source. 

Unlike conventional onboard systems that cool seawater, this setup produces flake ice, matching the fisher’s traditional working practices. Ice is formed inside a specially designed evaporative drum, where a thin water film freezes on the inner drum surface, is scraped off, and collected for fish cooling.  

The system was developed at the Birla Institute of Technology and Science (BITS) Pilani and is currently installed as a laboratory unit for testing and training. 

Why natural refrigerants work – and why they are the future? 

Propane (R290) is widely available and will remain accessible in the future. The efficiency of propane systems can be further improved through advanced design and optimisation. While flammability is a concern, it can be effectively managed by installing the unit outdoors or in a well-ventilated area. 

Future plans

Our goal is to develop a compact, efficient, and user-friendly system suitable for installation on fishing vessels. If you are a ship owner interested in installing such a unit, don’t hesitate to contact us. 

Publications 

Singha, P. et al. (Apr. 2025). “Thermodynamic comparison of various refrigerants for an on-board R290 refrigeration system with economizer subcooling in small fishing boats”. In: Thermal Science and Engineering Progress 60, p. 103443. 

Kochi, Kerala: Deep freezing in the seafood industry

Collage of three photos of the system described in the text.
Photos: Sumit Kumar
  • Location: Kochi, Kerala, INDIA
  • Refrigerant: Cascade system, Carbon dioxide (CO2) and R404A at present, to be replaced with ammonia (NH3
  • Main sector: Seafood Industry
  • Other possible sectors: Food industry
  • Contact person:  Prof. M Ramgopal,  

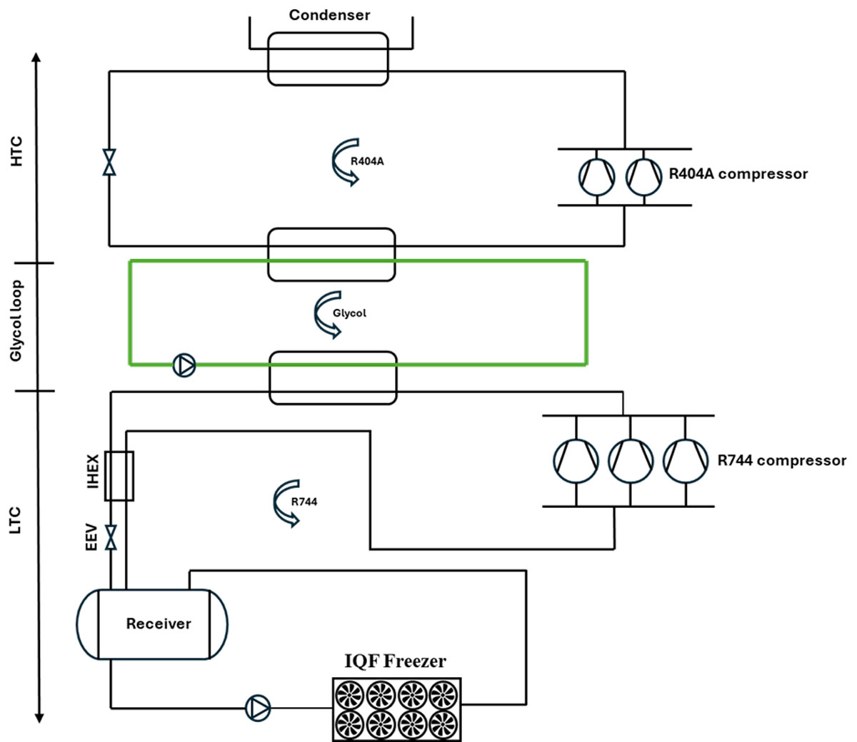
A demosite developed under the INDEE+ project, and is being continued in INDEE3, the successor to INDEE+. The demosite is located in Kochi, Kerala, India, at a seafood processing facility with a refrigeration capacity of 150 kW at -40 °C.

A carbon dioxide based refrigeration system is implemented in the lower temperature circuit and integrated with the existing plant through a glycol loop. The installation serves as an IQF freezer, which freezes fish in a shorter time than conventional blast freezing, helping to maintain product quality and reducing issues such as lump formation.

A key advantage of using carbon dioxide is that it is non-toxic and has favourable thermophysical properties. In addition, the system operates at pressures above atmospheric pressure, which reduces the risk of moisture ingress. Since ammonia will be on the high temperature side, the required amount of the toxic ammonia can be reduced drastically, and it is kept away from the refrigerated space, making it inherently safe. Use of glycol loop facilitates easy transition from R404A to ammonia. 

Schematic of the cooling system.

Future plans

As a future plan, data collection and performance monitoring are ongoing under the INDEE3 framework at this demosite. Based on the operating data, a technical publication will be prepared to document system performance, integration approach, and practical learnings.

This publication will act as evidence that similar CO2-based deep-freezing systems can be installed and implemented in other sectors, such as food-processing industries, where deep-freezing requirements are needed.

A mathematical model will be developed based on the data collected so that it can be used for design or performance prediction of similar systems.

R744-Based Integrated Heat Pump and Chiller System for Hotel

Collage showing a heatpump sistem and a graph over energy use.
  • Location: Goa, India
  • Refrigerant: Carbon dioxide (R744)
  • Main sector: Buildings - Hotel /Hospitality
  • Other possible sectors: Hospital, Dairy 
  • Contact persons: Prof. Armin Hafner, NTNU, Norway Mr. Kumodak Sharma, Medors Renewable Energy Pvt Ltd, India,   

Hotels in India typically rely on synthetic refrigerant-based chillers for space cooling and diesel-fired water heaters for hot water production—both energy-intensive solutions that contribute significantly to global warming. Transitioning to natural refrigerants like CO2 is a promising alternative, but this shift faces several challenges in India, including high ambient temperatures, limited technical expertise, resistance to adopting new technologies, and a shortage of skilled professionals.

Through the INDEE+ and INDEE3 projects, we aim to demonstrate real-world system performance to help overcome existing market and technical barriers. The demonstration site features a CO2 heat pump recently installed in a hotel in tropical India, where it recovers heat from the cooling process and simultaneously uses it for hot water production, significantly improving overall energy efficiency.

The system was manufactured and integrated into the hotel infrastructure by Medors Renewable Energy Pvt. Ltd., an Indian company collaborating with NTNU on sustainable development. 

After installing and commissioning the Made-in-India CO2 heat pump chiller at the Goa hotel, operational data were recorded and analysed over several weeks to assess its real-world performance.

Performance data collected over several weeks demonstrated that the system successfully produced hot water at 75°C while simultaneously delivering chilled water at 6°C.

Why natural refrigerants work – and why they are the future?

Significance of CO2

  • A CO2 heat pump can produce 80–90°C water efficiently, then conventional boilers, simultaneously providing cooling. 
  • CO2 Is Safe and Non-Flammable and Zero Impact on Climate Regulation
  • Compact and Easy to maintain 

Challenges

In warm climates, the transcritical CO2 refrigeration cycle faces a key challenge: its cooling capacity declines as outdoor temperatures rise. At higher ambient conditions, the refrigerant enters the two-phase region after expansion closer to the saturated vapor line, reducing the available enthalpy change and weakening the cooling effect.

To counter this, INDEE has come up with various design innovations. These include adding internal heat exchangers downstream of the gas cooler, integrating ejector technology, and adopting two-stage evaporator systems—often pairing a traditional evaporator with a gravity-fed flooded unit. Together, these advancements help reclaim lost efficiency and maintain reliable performance even in hotter environments.

CO2 is the future refrigerant for heating and cooling solutions in hotels

  • Regulations are moving toward natural refrigerants
  • Hotels need energy savings to hit sustainability goals
  • CO2 systems reduce both carbon footprint and costs
  • Safety and reliability make CO2 preferable to flammable alternatives

Future plans

Future plans include testing how well the unit performs throughout different seasons and changing demand levels.

Publications

Kochunni, S.K. et al. (Aug. 2025). “R744-based integrated heat pump and chiller system for hotels in tropical climates”. Proceedings of 1st IIR International Conference on Refrigeration Adapting to Rising Temperature.  http://dx.doi.org/10.18462/iir.adaptation.2024.1168

Contact person